
YJZQ系列高壓球閥
圖形符號 
技術參數
公稱壓力:31.5MPa
適用介質:液壓油
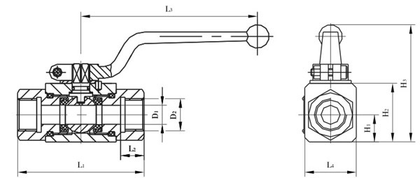
外形尺寸

內螺紋連接
型號 D1 D2 L1 L2 L3 L4 H1 H2 H3
YJZQ-J10N Ф10 M18×1.5 78 14 105 32 16 36 76
YJZQ-J15N Ф15 M22×1.5 86 16 147 38 19 45 80
YJZQ-J20N Ф20 M27×2 108 18 185 48 25 55 101
YJZQ-J25N Ф25 M33×2 116 20 185 57 28.5 64 111
YJZQ-J32N Ф32 M42×2 136 22 240 75 37.5 84 134
YJZQ-J40N Ф40 M48×2 148 24 240 85 42.5 95 165
YJZQ-J50N Ф50 M64×2 180 26 240 104 52 112.5 180
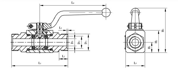
外螺紋連接

型號 D1 D2 D3 L1 L2 L3 L4 L5 H1 H2 H3
YJZQ-J10W Ф10 Ф20 M27×1.5 94 16 2 105 32 16 36 76
YJZQ-J15W Ф15 Ф22 M30×1.5 102 16 2 147 38 19 45 80
YJZQ-J20W Ф20 Ф28 M36×2 124 18 2.5 185 48 25 55 101
YJZQ-J25W Ф25 Ф35 M42×2 136 20 2.5 185 57 28.5 64 111
YJZQ-J32W Ф32 Ф40 M52×2 150 20 2.5 240 75 37.5 84 134
YJZQ-J40W Ф40 Ф50 M64×2 180 24 2.5 240 85 42.5 95 165
YJZQ-J50W Ф50 Ф60 M72×2 210 26 2.5 240 104 52 112.5 180
上一篇 : 高壓氣動球閥資料
下一篇 : Q11F二片式內螺紋球閥